当前位置:首页>>电磁阀
燃气电磁阀

燃气电磁阀

  • 1、质量稳定:实行全过程质量监控,细致入微,全方位检测!
  • 2、价格合理:高效内部成本控制,减少了开支,让利于客户!
  • 3、交货快捷:先进生产流水线,充足的备货,缩短了交货期!
技术参数
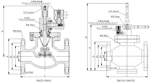
安装尺寸
型号说明
产品用途
下载文档

产品名称:燃气电磁阀

产品型号:ZCRB

关键字标签:ZCRB燃气电磁阀

燃气电磁阀产品说明:

ZCRB紧急切断燃气电磁阀在城市或工厂的燃气供应管网内安装此系列燃气快速切断阀,可在中央控制室内集中控制,远距离遥控紧急关闭事故现场的管线燃气供应。燃气管路系统检修、排除故障时切断燃气。

燃气电磁阀主要用途:

ZCRB紧急切断燃气电磁阀与可燃气体泄漏检测仪连接。当仪器检测到可燃气体泄漏时,自动、快速关闭主供气阀门,切断燃气的供给,及时制止恶性事件的发生。与热力设备的极限温度(压力)安全控制器连接,当设备内检测点的温度或压力超过设定极限数值,自动关闭供气阀门,停止燃气供给。与高层建筑的中央消防报警系统连接,当大厦发生火警时,自动切断大厦内的燃气供应,防止煤气爆炸的发生。

燃气电磁阀产品,请您根据燃气电磁阀参数直接与我们销售中心订购。当您使用的场合非常重要或者环境比较复杂时,请您提供设计图纸和详细参数,我们的工程师专家会专心为您审核与分析。我们立志成为世界领先的阀门制造商。


燃气电磁阀安装尺寸:

燃气电磁阀

公称通径

DN(mm)

尺 寸(mm)

管接头

D

D1

D2

d2

f2

b

L

H

H1

Z-фd

50

160

125

100

88

4

20

230

346

359

4-18

R1/4

65

180

145

125

-

-

-

290

337

354

-

80

195

160

135

121

4

22

310

445

465

8-18

100

230

190

160

150

4.5

24

350

590

623

8-22

150

300

250

218

204

4.5

28

444

-

580

8-25

R1/2

200

360

310

278

260

4.5

30

559

-

645

12-25

250

425

370

332

313

4.5

32

622

-

750

12-30

300

485

430

390

364

4.5

36

711

-

1100

16-30

350

550

490

448

422

5

40

838

-

1380

16-34



推荐资讯

COPYRIGHT © 2022